• 把晶粒黏到电路板上应该用哪种粘着剂

    19-05-2020

    把晶粒黏到电路板上应该用哪种粘着剂

    —般晶粒黏贴是用银胶材料作接着剂,它既可用作接合又可发挥传热效果,因此是目前电路板厂家相当普遍的接着...
    查看
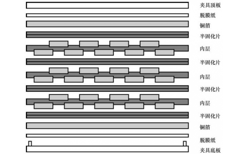
  • 电路板内层板o/S的改善方法

    19-05-2020

    电路板内层板o/S的改善方法

    目前电路板内层板o/S不良率约为1.3%上下,良率高低只是解决问题优先级的参考,但没有绝对的作业准则...
    查看
  • 电路板锡膏的使用与贮存

    19-05-2020

    电路板锡膏的使用与贮存

    锡膏对于曝露环境中的热、空气、潮湿都相当敏感,热会引起助焊剂与锡粉间的反应,也会导致助焊剂与锡粉分离...
    查看
  • SMT设备维护工具选用

    19-05-2020

    SMT设备维护工具选用

    在电子产品制造中,静电放电是电子装配中PCB 与元器件损伤的常见原因之一。静电放电往往会损伤器件,甚...
    查看
  • 回流焊的安全维护知识

    19-05-2020

    回流焊的安全维护知识

    在SMT制程中,回流焊设备的安全操作和正确维护是非常重要的,应依照安全技术操作规程对回流焊进行维护及...
    查看
  • 回流焊的安全标志

    19-05-2020

    回流焊的安全标志

    回流焊是 SMT 生产过程中的关键工序,焊接的质量直接影响电子产品的电气性能和连接的可靠性。准确、高...
    查看
  • 回流焊哪一款设备比较好用

    19-05-2020

    回流焊哪一款设备比较好用

    劲拓NS-800 回焊炉是国产回流焊设备比较典型的一款设备,深受SMT行业人员欢迎,它具有以下特征。...
    查看
  • 回流焊的部分功能的简要介绍

    19-05-2020

    回流焊的部分功能的简要介绍

    回流焊是组成SMT生产线的主要设备,现对回流焊的部分功能做简要的介绍。外部的信号指示灯指示设备当前状...
    查看
  • 全面认识回流焊的组成结构

    19-05-2020

    全面认识回流焊的组成结构

    回流焊的基本功能是:在机械传送机构的输送下,将已贴装有待焊元器件的PCB 以设定的速度通过设定的温度...
    查看

微信公众号